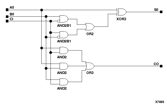
Figure 3.8 ADD1 Implementation XC9000