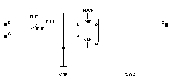
Figure 6.6 IFD Implementation XC9000