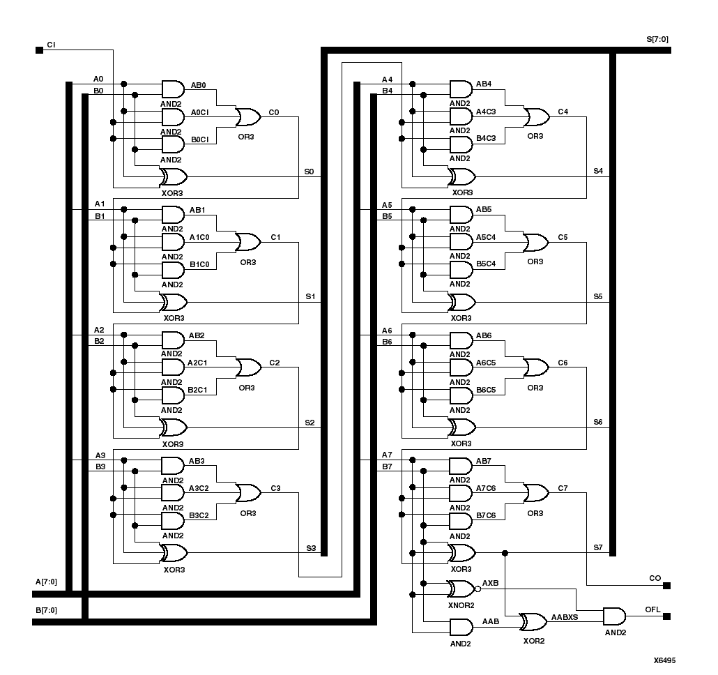
Figure 3.9 ADD8 Implementation XC3000