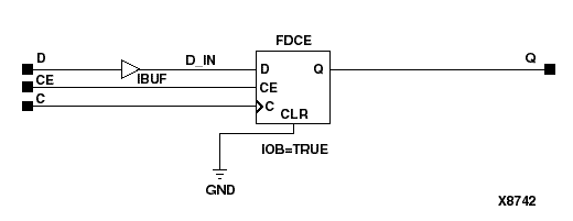
Figure 6.14 IFDX Implementation Spartan2, Virtex