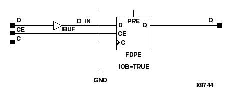
Figure 6.18 IFDXI Implementation Spartan2, Virtex