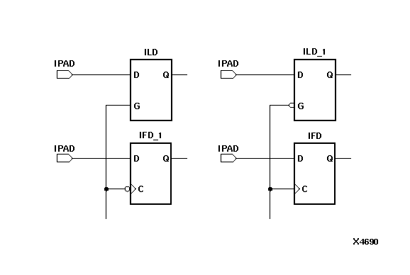
Legal Combinations of IFD and ILD for a Single Device Edge of an XC3000 IOB

Figure 6.21 Legal Combinations of IFD and ILD for a Single Device Edge of an XC3000 IOB