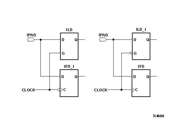
Legal Combinations of IFD and ILD for a Single IOB in XC4000E, XC4000X, Spartan, or SpartanXL

Figure 6.22 Legal Combinations of IFD and ILD for a Single IOB in XC4000E, XC4000X, Spartan, or SpartanXL