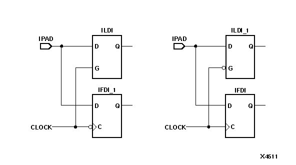
Legal Combinations of IFDI and ILDI for a Single IOB in XC4000E, XC4000X, Spartan, or SpartanXL

Figure 6.30 Legal Combinations of IFDI and ILDI for a Single IOB in XC4000E, XC4000X, Spartan, or SpartanXL