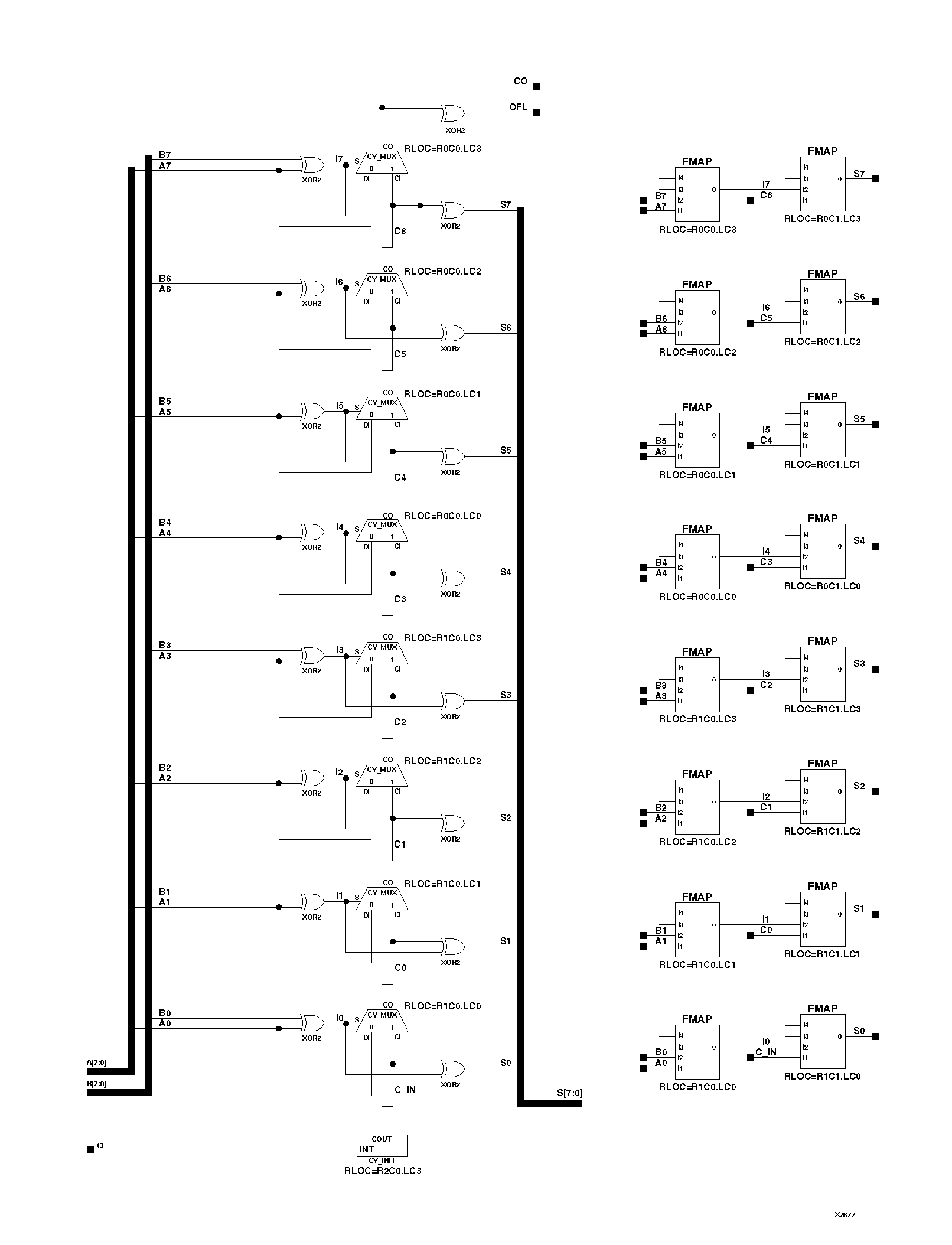
Figure 3.11 ADD8 Implementation XC5200