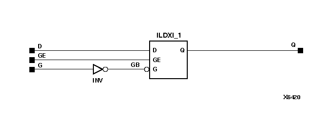
Figure 6.41 ILDXI Implementation XC4000E, XC4000X, Spartan, SpartanXL