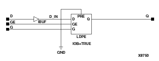
Figure 6.42 ILDXI Implementation Spartan2, Virtex