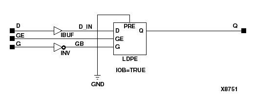
Figure 6.43 ILDXI_1 Implementation Spartan2, Virtex