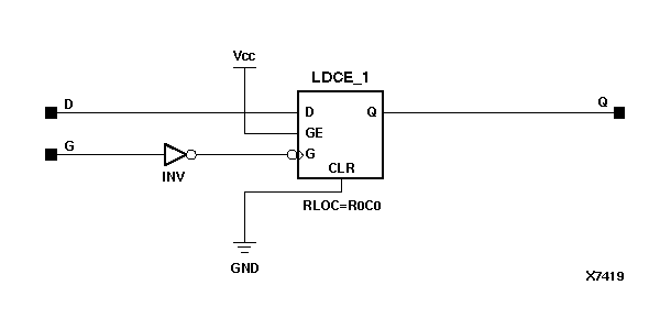
Figure 7.1 LD Implementation XC4000X, SpartanXL