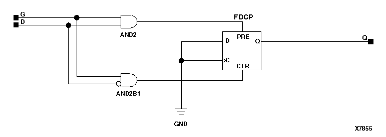
Figure 7.3 LD Implementation XC9000