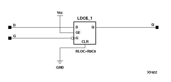
Figure 7.4 LD_1 Implementation XC4000X, SpartanXL