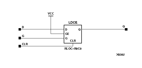
Figure 7.8 LDC Implementation XC5200