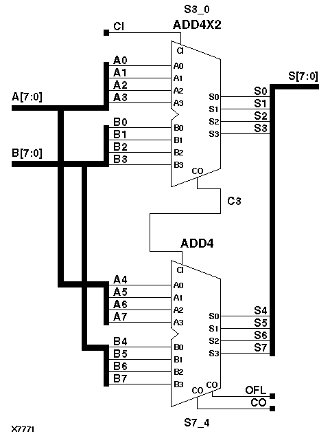
Figure 3.14 ADD8 Implementation XC9000