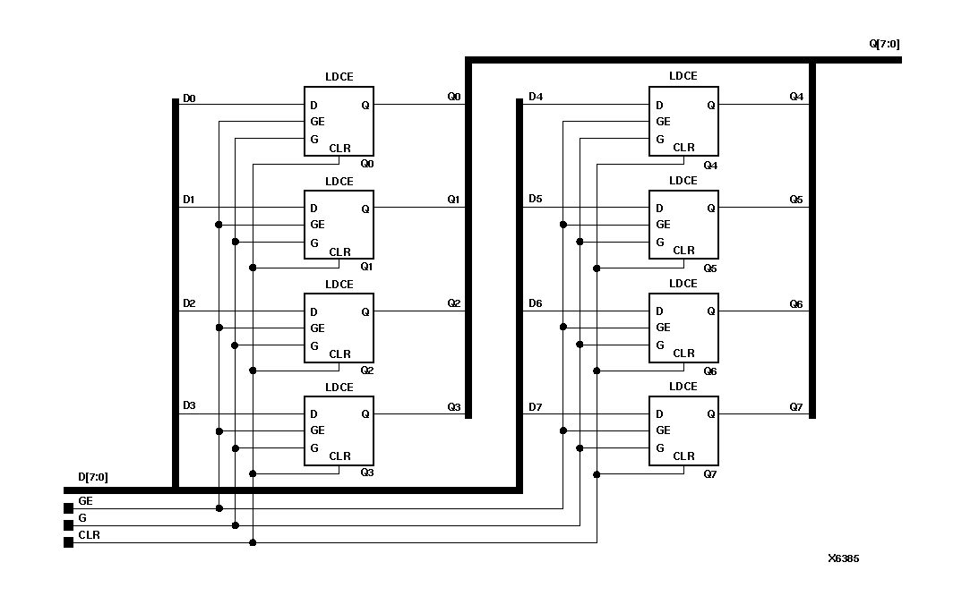
Figure 7.14 LD8CE Implementation XC4000X, XC5200, SpartanXL, Spartan2, Virtex