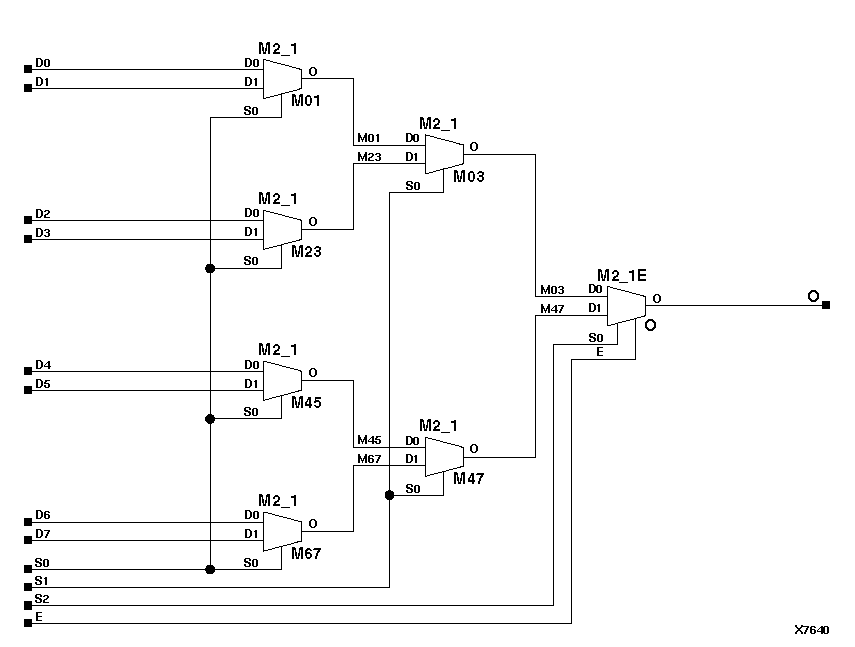
Figure 7.22 M8_1E Implementation XC3000, XC4000E, XC4000X, XC5200, XC9000, Spartan, SpartanXL