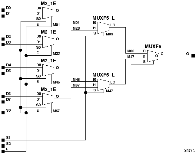
Figure 7.23 M8_1E Implementation Spartan2, Virtex