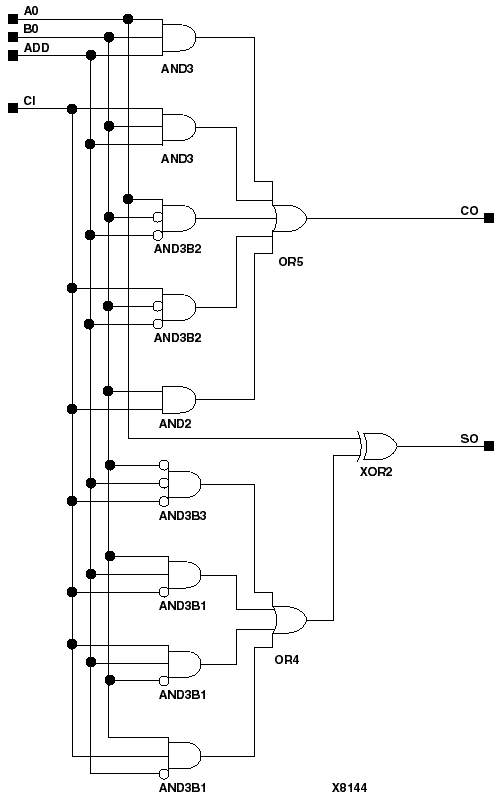
Figure 3.15 ADSU1 Implementation XC9000