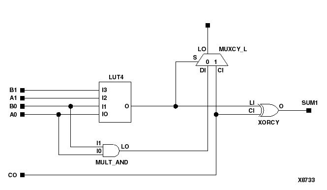
Example Multiplier Using MULT_AND

Figure 7.24 Example Multiplier Using MULT_AND