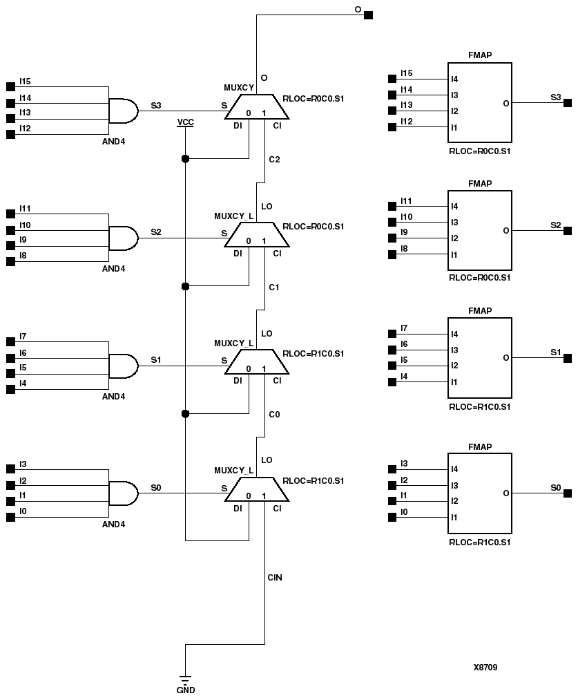
Figure 7.34 NAND16 Implementation Spartan2, Virtex