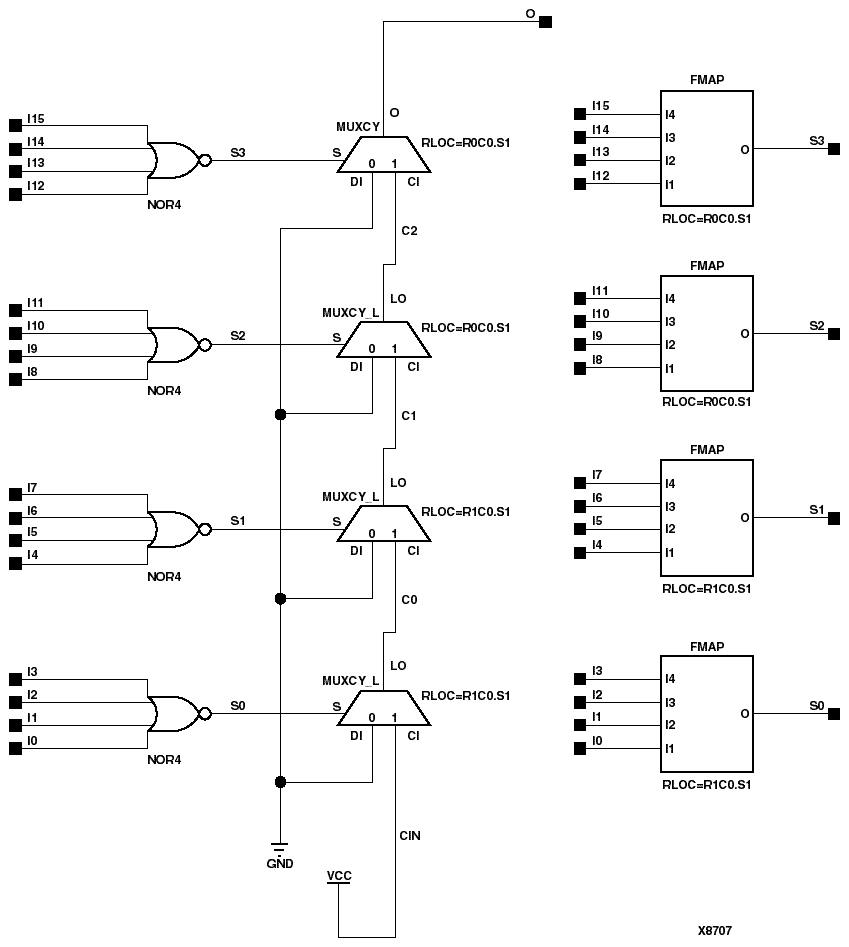
Figure 7.42 NOR16 Implementation Spartan2, Virtex