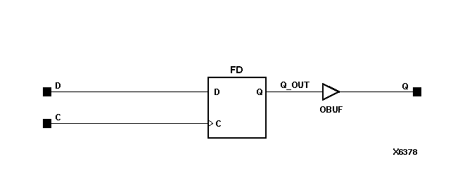
Figure 8.7 OFD Implementation XC9000