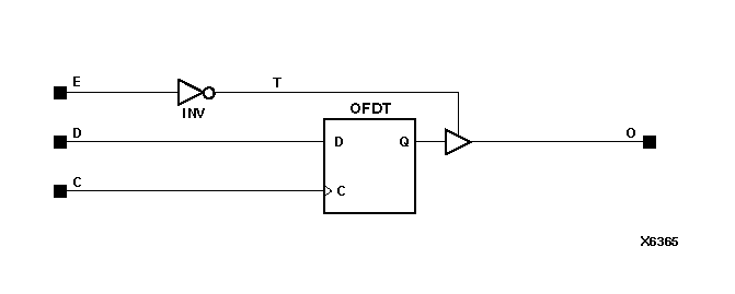
Figure 8.12 OFDE Implementation XC3000, XC4000E, XC4000X, Spartan, SpartanXL