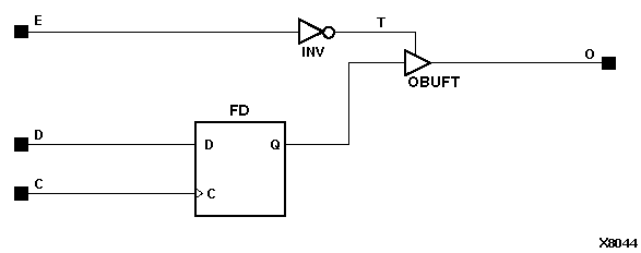
Figure 8.14 OFDE Implementation XC9000