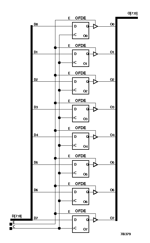
Figure 8.15 OFDE8 Implementation XC3000, XC4000E, XC4000X, XC5200, XC9000, Spartan, SpartanXL, Spartan2, Virtex