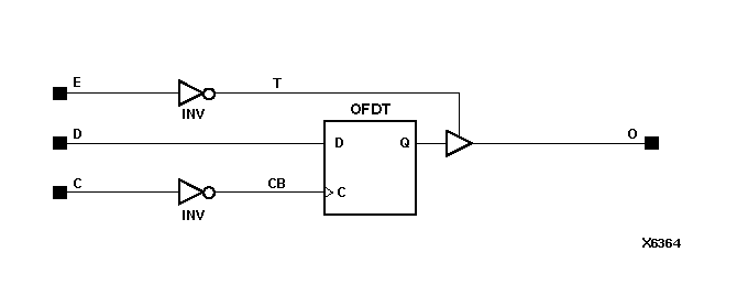
Figure 8.16 OFDE_1 Implementation XC3000, XC4000E, XC4000X, Spartan, SpartanXL