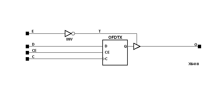
Figure 8.20 OFDEX Implementation XC4000E, XC4000X, Spartan, SpartanXL