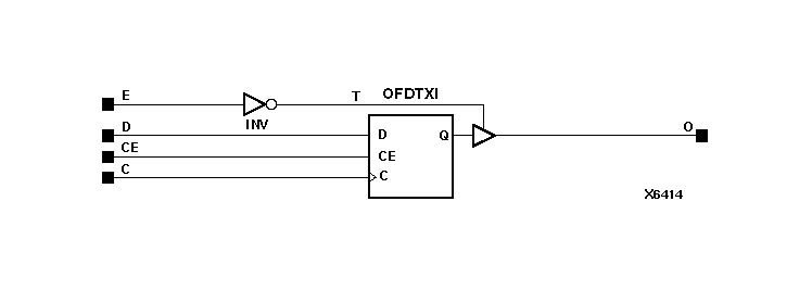
Figure 8.23 OFDEXI Implementation XC4000E, XC4000X, Spartan, SpartanXL