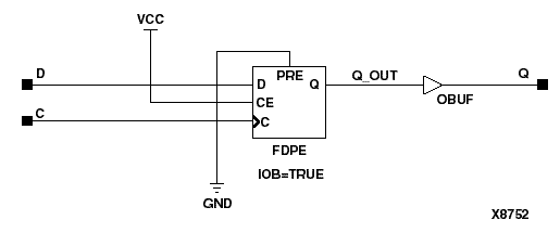
Figure 8.26 OFDI Implementation Spartan2, Virtex