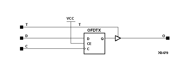
Figure 8.29 OFDT Implementation XC4000E, XC4000X, Spartan, SpartanXL