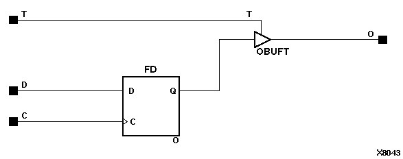
Figure 8.31 OFDT Implementation XC9000