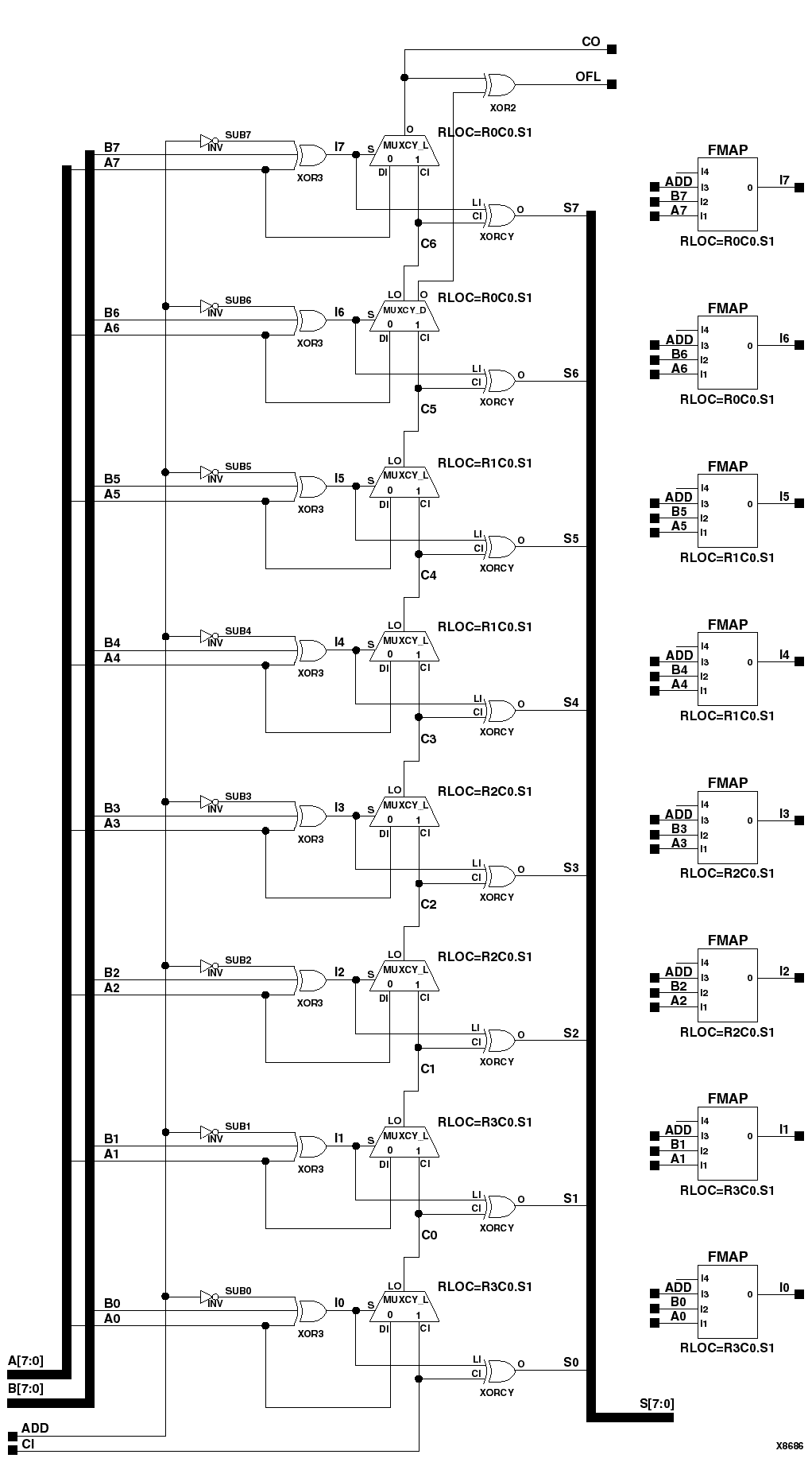
Figure 3.20 ADSU8 Implementation Spartan2, Virtex