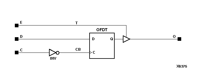
Figure 8.33 OFDT_1 Implementation XC3000, XC4000E, XC4000X, Spartan, SpartanXL