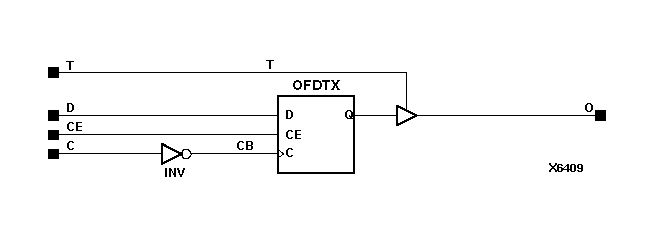
Figure 8.38 OFDTX_1 Implementation XC4000E, XC4000X, Spartan, SpartanXL