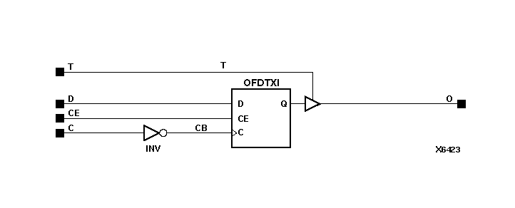
Figure 8.39 OFDTXI_1 Implementation XC4000E, XC4000X, Spartan, SpartanXL