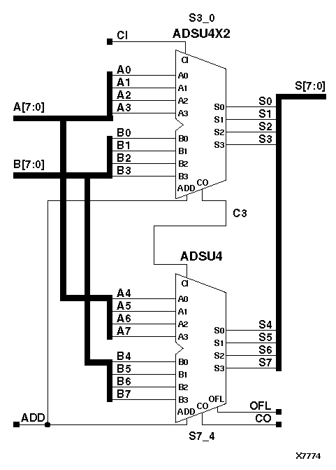
Figure 3.22 ADSU8 Implementation XC9000