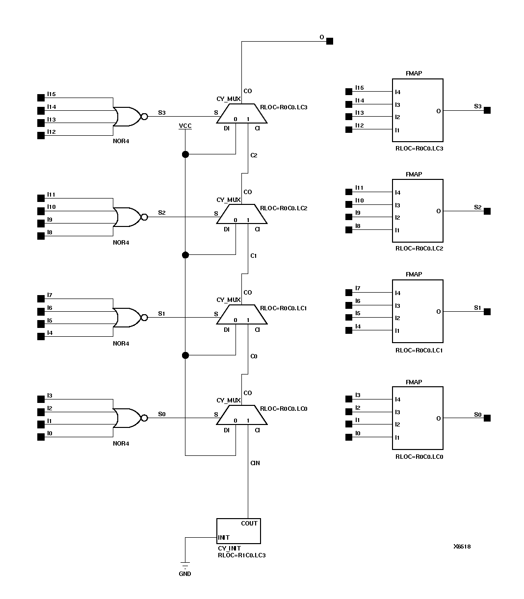
Figure 8.53 OR16 Implementation XC5200