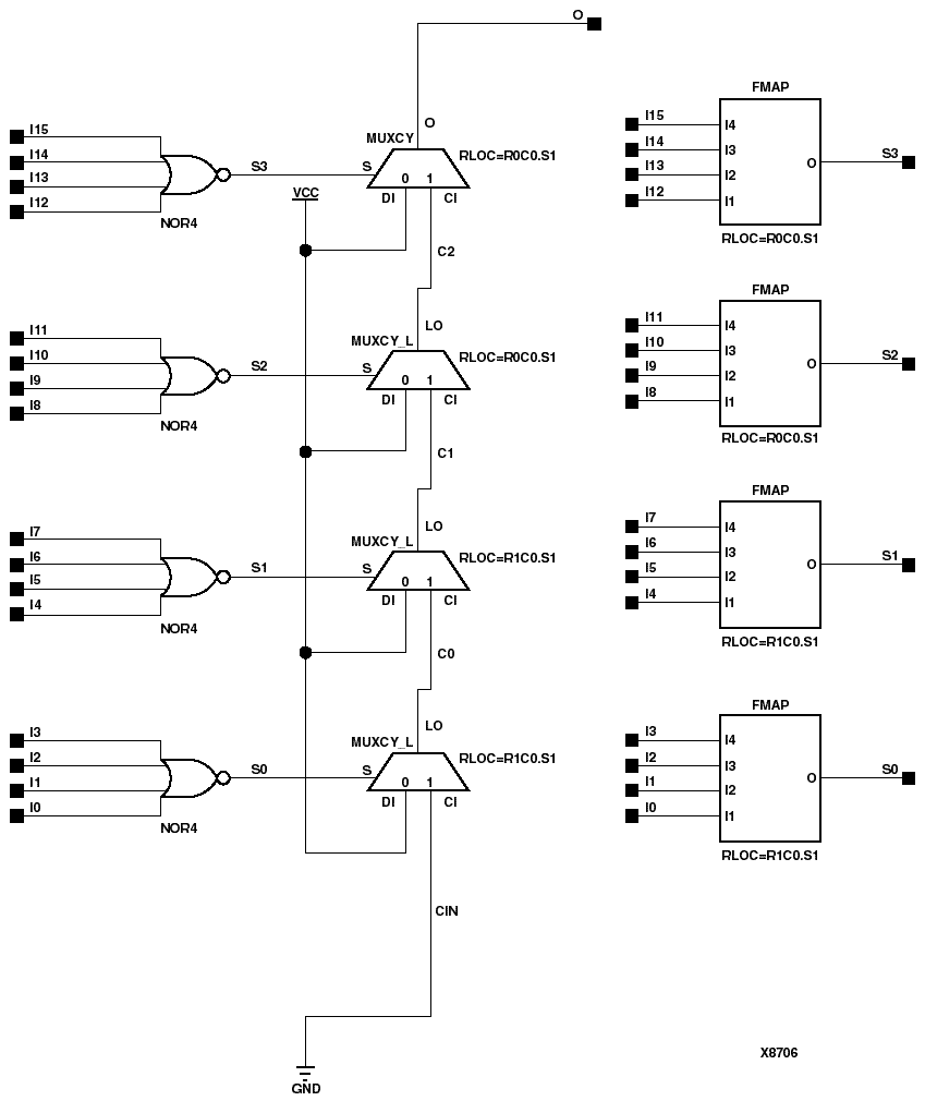
Figure 8.54 OR16 Implementation Spartan2, Virtex