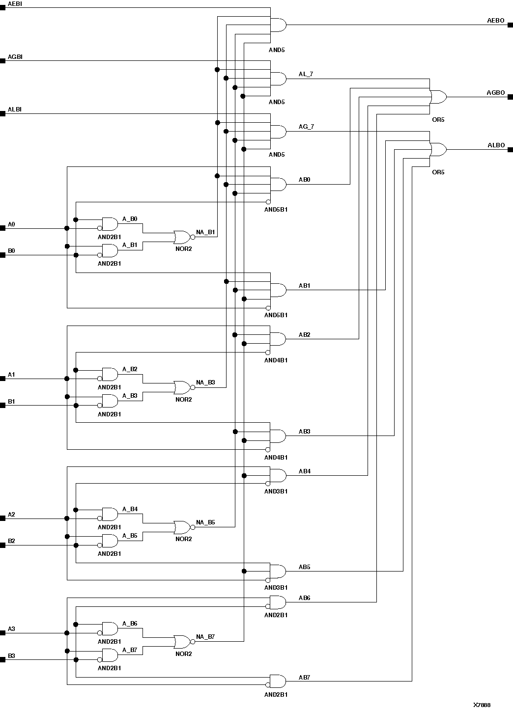
Figure 11.2 X74_L85 Implementation XC3000, XC4000E, XC4000X, XC5200, Spartan, SpartanXL