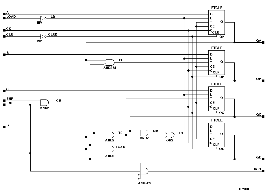
Figure 11.16 X74_160 Implementation XC3000