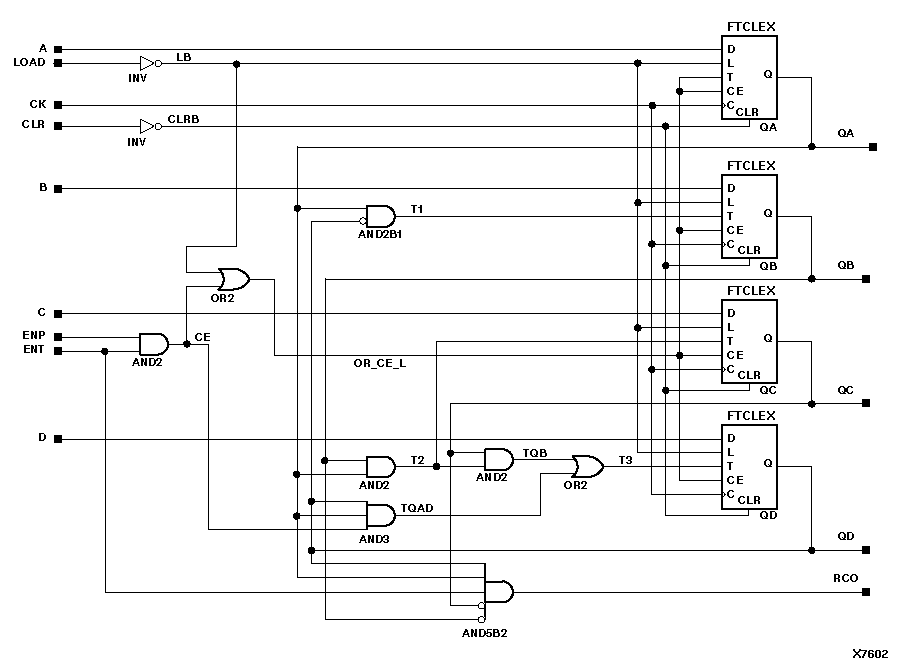
Figure 11.17 X74_160 Implementation XC4000E, XC4000X, XC5200, Spartan, SpartanXL