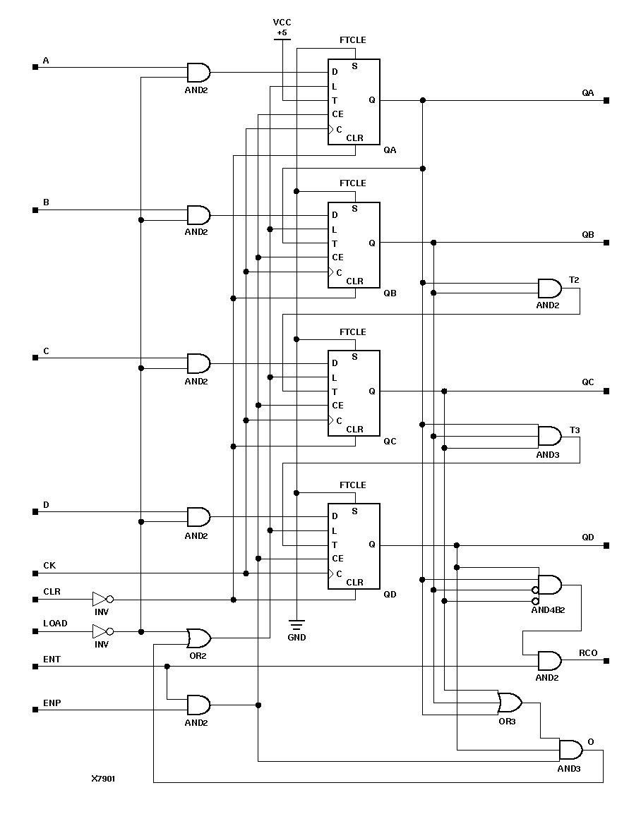
Figure 11.18 X74_160 Implementation XC9000