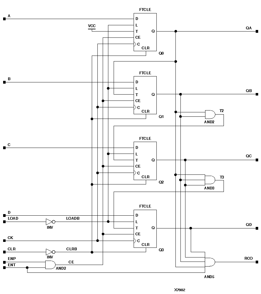
Figure 11.19 X74_161 Implementation XC3000, XC4000E, XC4000X, XC5200, Spartan, SpartanXL