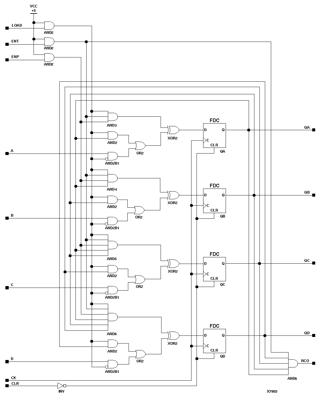
Figure 11.20 X74_161 Implementation XC9000