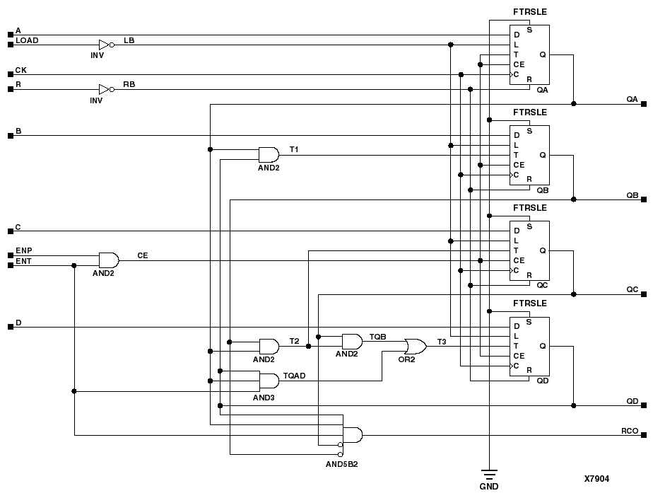
Figure 11.21 X74_162 Implementation XC3000, XC4000E, XC4000X, XC5200, Spartan, SpartanXL