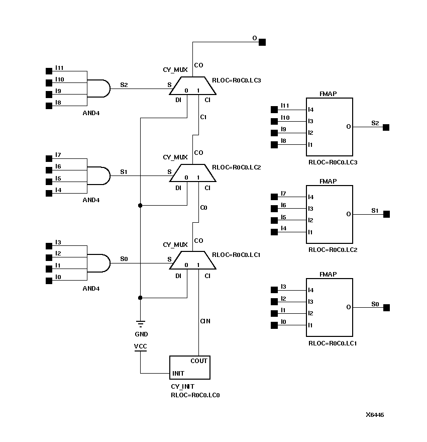
Figure 3.29 AND12 Implementation XC5200