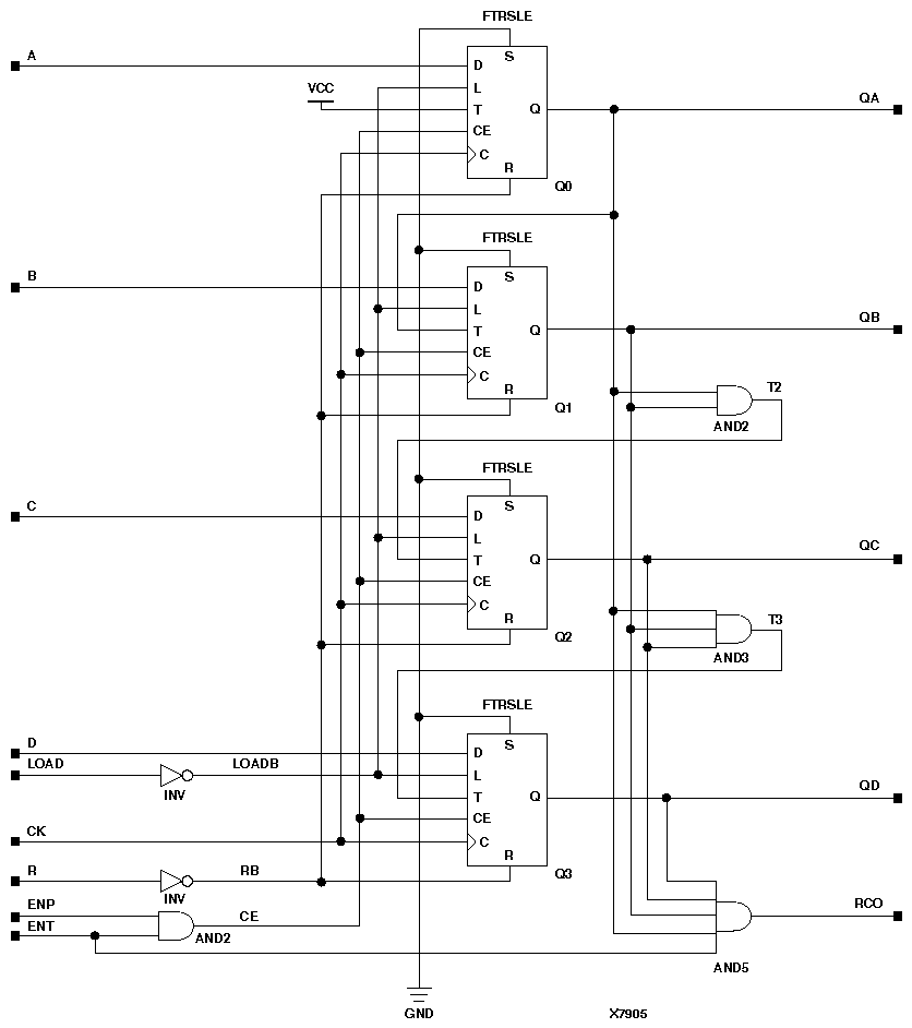
Figure 11.23 X74_163 Implementation XC3000, XC4000E, XC4000X, XC5200, Spartan, SpartanXL